УВЕДОМЛЕНИЕ О ПОЖАРЕ
Сигнал срабатывания извещателя сохраняется после окончания воздействия на него продуктов горения (дыма). Сброс сигнала производится отключением или переполюсовкой питания извещателя на время не менее 3 секунд.
ИНДИКАТОР РАБОТЫ
"Дежурный режим" - мигание индикатора с периодом 7 секунд; "Пожар" - мигание индикатора с частотой около 2 Гц. Индикация работоспособности дымового канала.
ГАРАНТИЯ РАБОТОСПОСОБНОСТИ
Встроенный дополнительный резистор 1кОм. Автоматическая компенсация запылённости дымовой камеры. Извещатель сохраняет работоспособность при воздействии фоновой освещённости от искусственного и/или естественного освещения 12 000 лк.
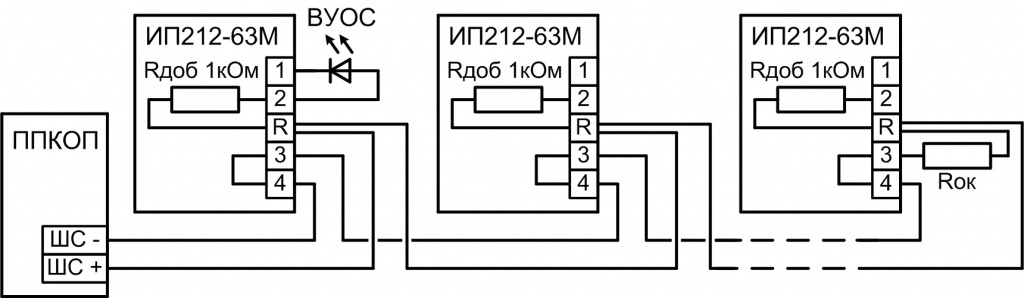
Типовая схема включения извещателя для приборов с однополярным шлейфом сигнализации. Величина резистора Rок определяется в соответствии с техническим описанием ПКП
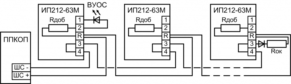
Типовая схема включения извещателя для приборов с переполюсовкой шлейфа сигнализации. Величина резисторов Rок и Rдоб определяется в соответствии с техническим описанием ПКП
|
Тип товара
|
Датчик дыма |
|
Бренд
|
Сибирский Арсенал |
|
Потребляемый ток
|
В тревожном режиме: 25 мА; При напряжении питания 20 В: 75 мкА |
|
Степень защиты
|
IP40 |
|
Рабочая влажность
|
До 93% |
|
Рабочая температура
|
От -30 °C до +55 °C |
|
Вес изделия
|
150 г |
|
Габариты
|
104x50 мм |
Добавьте понравившийся товар в корзину. После этого перейдите в Корзину и нажмите на кнопку «Оформить заказ» или «Быстрый заказ»
Вы можете выбрать наиболее удобный для вас способ оплаты:
- Наличными при самовывозе из фирменных магазинов Mimall
- Наличными курьеру при доставке курьерской службой Mimall
- Онлайн оплата при самовывозе или оформлении заказа на сайте банковской картой Visa или MasterCard, а также через платёжные системы PayPal, WebMoney и ЮMoney

При онлайн оплате вам потребуется заполнить специальную форму. Обязательно укажите: ваши имя и фамилию, электронный адрес и номер телефона.
Более подробно об вариантах и условиях оплаты заказа.
Вы можете выбрать наиболее удобный для вас способ доставки.
- Курьерская доставка Mimall
- Курьерская доставка DPD
- Самовывоз из пункта выдачи заказов DPD
- Курьерская доставка СДЕК
- Самовывоз из пункта выдачи заказов СДЕК
- Самовывоз из фирменных магазинов Mimall
- По согласованию возможны специальные условия доставки (ПЭК, Деловые линии)
Доставка осуществляется по всей территории России, Беларуси и Казахстана.
Более подробно о всех условиях и вариантах доставки вы можете узнать здесь.
